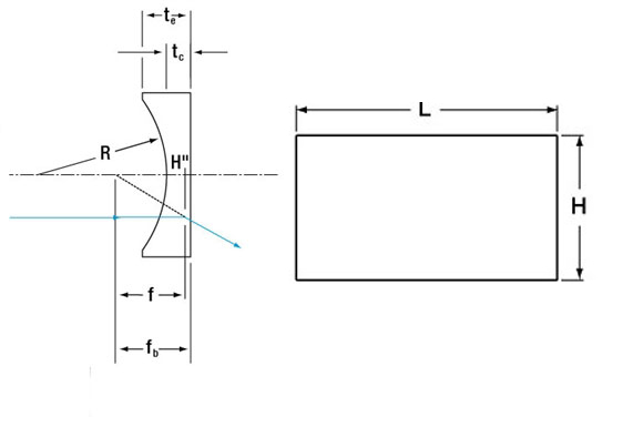
材料:K9、BK7
形狀:平凹
設計波長:546.1nm(n=1.519)
焦距公差:±1%
外形公差:+0.0/-0.1mm
厚度公差:±0.1mm
面 型: λ /4@632.8nm
通光孔徑:>90%
安全倒邊:<0.2X45°

深圳納宏光電提供:平凸、平凹、雙凸、雙凹等常用透鏡。規格齊全并可以定制生產紅外材料光學透鏡。可根據需求提供定制鍍膜服務,主要常規波長有:266nm,355nm,532nm,400nm-700nm,800nm,980nm,1064nm,1550nm等多種波段,其他定制波段歡迎來電垂詢。
